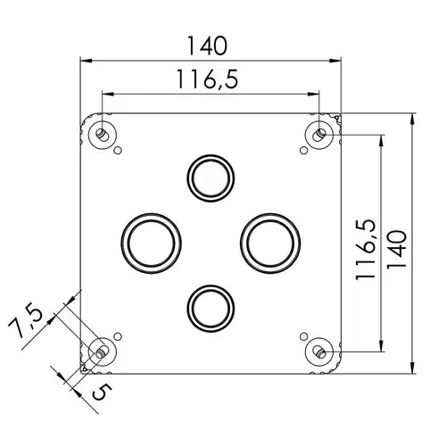
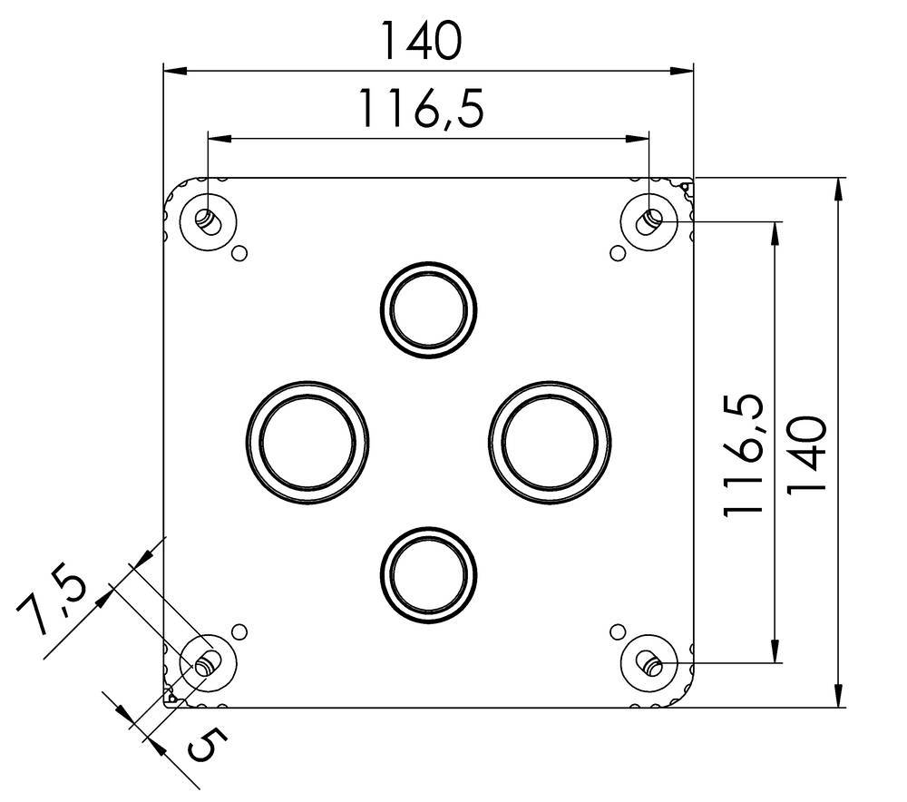
Beschreibung
            COMBI Feuchtraum-Kabelabzweigkasten aus schwer entflammbaren, halogenfreien, verstärkten Thermoplast, in der 2 Komponenten-Kunststofftechnik kombiniert mit Durchstoßmembranen aus thermoplastischem Elastomer.
Der Kasten mit hoher Schutzart ist witterungs- und UV-beständig, außerdem schlagfest und bruchsicher. Bestens geeignet bei extremer Beanspruchung oder Installation im Innen- und Außenbereich.
Hohe Beständigkeit gegen pflanzliche und tierische Fette, Mineralöl, Diesel, schwache Säuren, schwache und starke Laugen sowie Alkohol.
Dauerhaft elastische, selbstdichtende, seitliche Durchstoßmembranen in patentierter Kombination mit integriertem  Gewinde machen sowohl die direkte Kabelmontage durch die Membran als auch den Einsatz von Kabelverschraubungen ohne Gegenmutter möglich.
Unverlierbare Schnellverschluss-Deckelschrauben, schließen den Kasten mit nur einer Vierteldrehung.
        
 
     
															 
																	 
																	 
                 
                                                                     
                                            