Joy-it HX71160KG HX71160KG 60KG Wägezelle und Verstärkerplatine, HX711-60 kalibriert Werksstandard (ohne Zertifikat)

6,12 €
inkl. MwSt.
zzgl.
Lieferung sobald verfügbar
30 Tage kostenlose Rücksendung
Joy-it HX71160KG HX71160KG 60KG Wägezelle und Verstärkerplatine, HX711-60 kalibriert Werksstandard (ohne Zertifikat)
6,12 €
inkl. MwSt.
zzgl.
Ein Artikel genügt Ihnen nicht und Sie möchten Geld sparen?
ab 3 Stück : 6,05 € 1,1 % Ersparnis
ab 5 Stück : 5,99 € 2,1 % Ersparnis
ab 10 Stück : 5,87 € 4,1 % Ersparnis

Produktbeschreibung

Überblick

Integrierter 24 Bit A/D-Wandler
HX711-60

Genauigkeit +/-0,02% FS

Versorgungsspannung: 2,6 - 5,25 V

Stromverbrauch: kleiner 1.5 mA

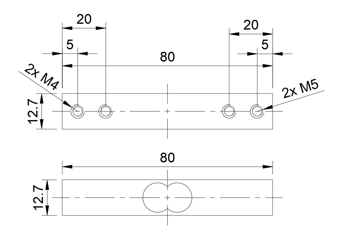
technische Zeichnung im Downloadportal

Beschreibung

Mit dieser Wägezellen- und Verstärkerplatine können Sie Ihre eigene Waage in Verbindung mit einem Mikrocontroller oder Einplatinencomputer bauen.
Die Verstärkerplatine enthält einen HX711 24 Bit A/D-Wandler, der das analoge Signal der Wägezelle in ein Gewicht mit hoher Genauigkeit umwandelt.
Aufgrund seiner großen Beliebtheit gibt es viele Anwendungsbeispiele für diesen Konverter im Internet.

Eine detaillierte, technische Zeichnung mit genauen Maßen finden Sie im Downloadbereich.

Lieferumfang

  • Wägezelle, Verstärkerplatine, Stiftleiste (4 Stifte)

Stichwörter

Joy-it, HX71160KG

Produktdaten

Downloads

Bewertungen

{{#if results}}
{{results.[0].headline}}
{{#each results}} {{name}} {{#if (gt hit_count 0)}} ({{hit_count}}) {{/if}} {{#if (or has_rating has_price)}}
{{#if has_rating}}
{{#each stars}} {{#if (gt ../rating this.[0])}} {{else if (and (lt ../rating this.[1]) (gt ../rating @index))}} {{else}} {{/if}} {{/each}}
{{/if}} {{#if has_price}} {{price}} {{/if}}
{{/if}}
{{/each}}
{{/if}}