Beschreibung
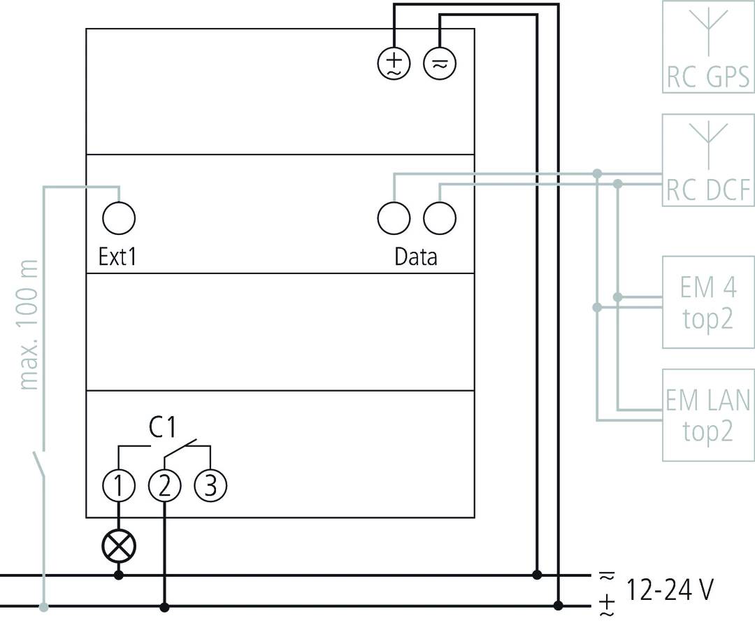
1-Kanal-Jahreszeitschaltuhr, RC: Zeitsynchronisation durch Anschluss einer externen DCF-oder GPS-Antenne (bei GPS zusätzlich Positionsbestimmung für Astro-Programm), 4 Kanal Erweiterungsmodul (EM 4 top2) und LAN-Modul (EM LAN top2) anschließbar, Reiheneinbaugehäuse, Breite 3 TE, Jahres-und Astro-Programm, Schnittstelle für OBELISK top2 Speicherkarte (PC-Programmierung), OBELISK Speicherkarte im Lieferumfang, 6 Jahre Gangreserve (Lithium-Batterie), Automatische Sommer-/Winterzeitumschaltung, EIN-AUS Schaltzeiten, Impulsprogramm, Zyklusprogramm, Umfangreiche Jahresuhrfunktionen, Astronomische Schaltfunktion (automatische Berechnung der Sonnenauf-und Untergangszeiten für das ganze Jahr), Astro-Offset, Astro-Impuls, Schaltungsvorwahl, Dauerschaltung EIN/AUS, Ablauf-Timer, Integrierter Betriebsstundenzähler, Externer Taster-/Schaltereingang, Ferienprogramm, 2 Zufallsprogramme, Displaybeleuchtung (abschaltbar), PIN-Codierung, Nulldurchgangschaltung, DuoFix Federsteckklemmen für jeweils 2 Leiter