Finder Halbleiterrelais 39.10.7.024.9024-10 2A Schaltspannung (max.): 24 V/DC

Momentan nicht bestellbar
Für dieses Produkt existiert bereits eine Benachrichtigung.
Finder Halbleiterrelais 39.10.7.024.9024-10 2A Schaltspannung (max.): 24 V/DC
Momentan nicht bestellbar
Für dieses Produkt existiert bereits eine Benachrichtigung.

Produktbeschreibung

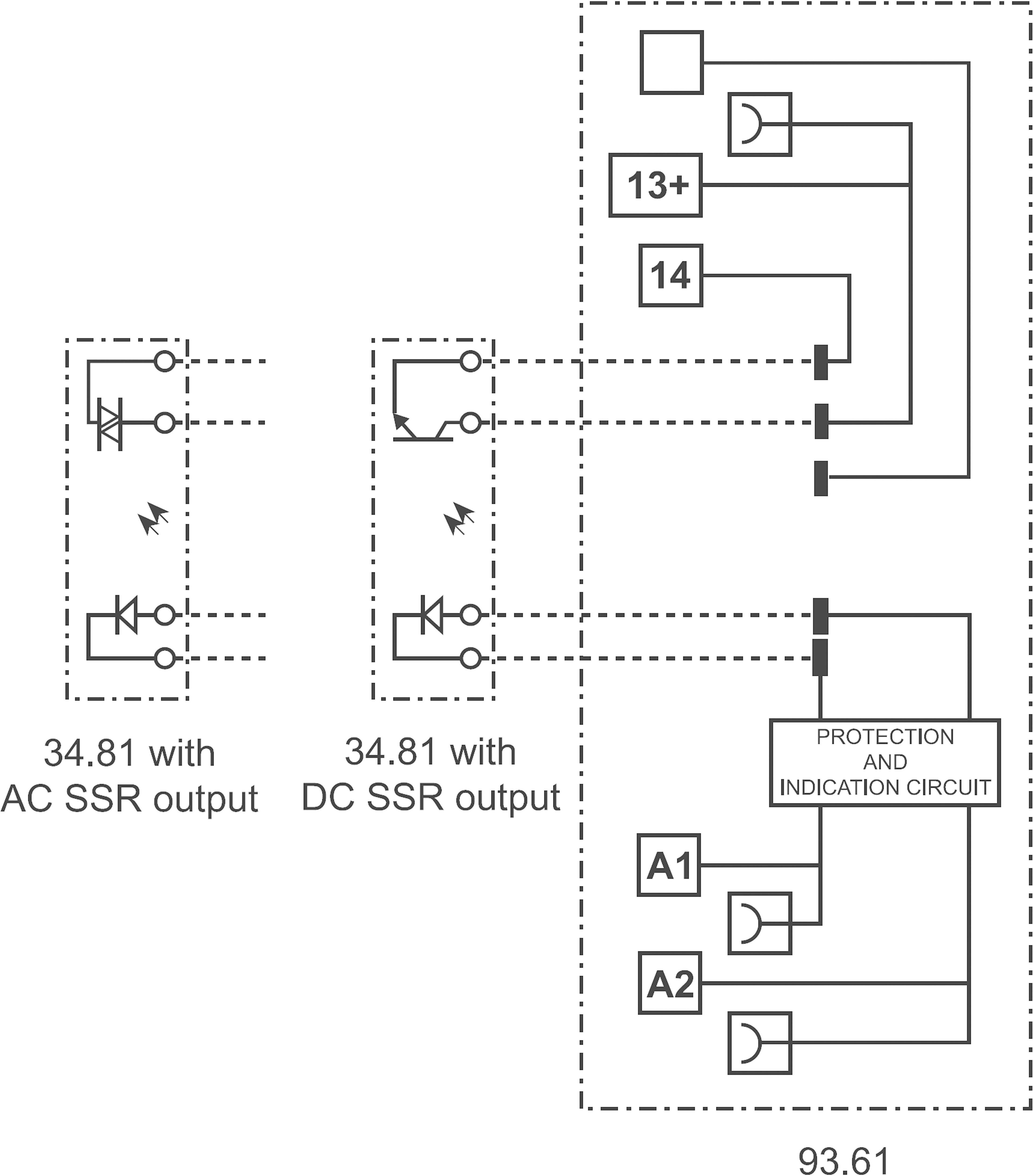
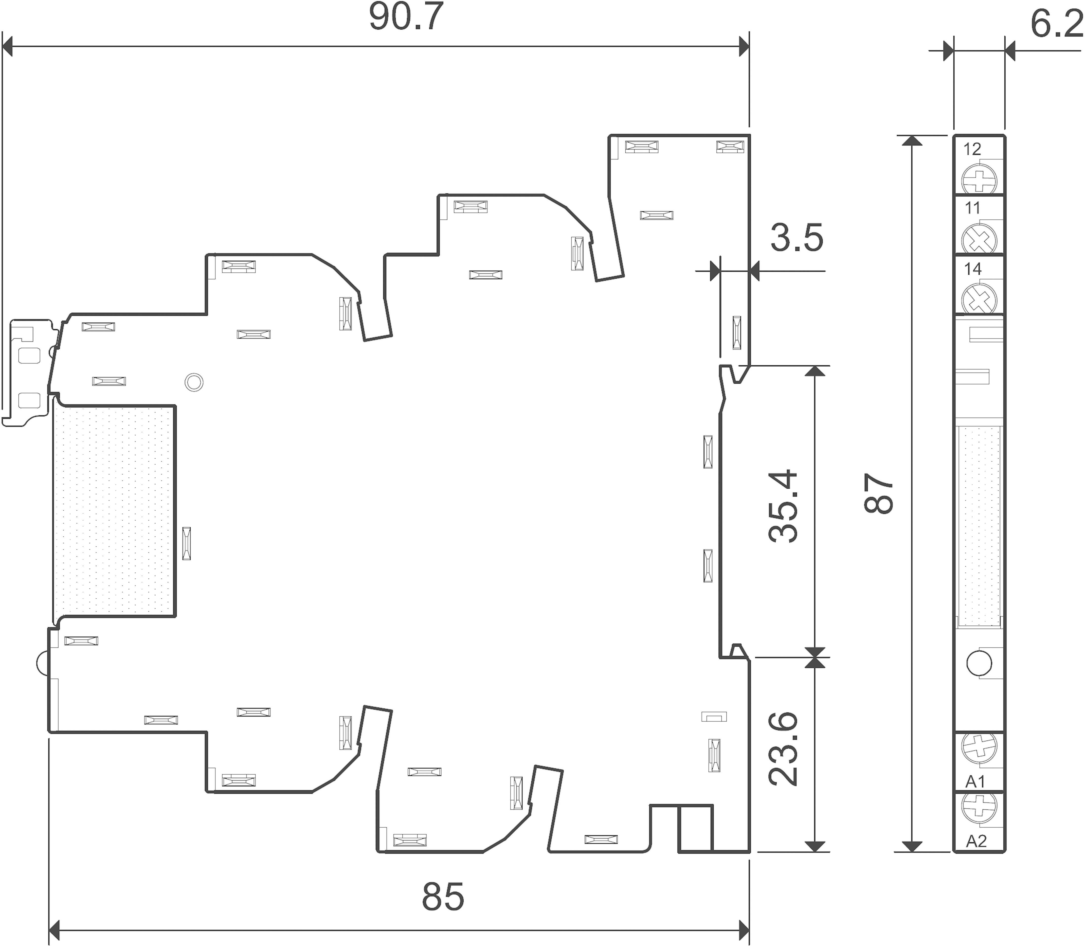
Beschreibung

Schmales Koppelrelais für DIN-Schiene mit Halbleiterausgang. Universell als Koppelrelais im Eingang zur SPS oder im Ausgang der SPS zur Ansteuerung von Aktoren.

Hinweise

Zulassungen: cULus, EAC.

Stichwörter

Finder, 39.10.7.024.9024-10, 776-1428, elektronisches relais, el relais, lastrelais

Produktdaten

Downloads

Bewertungen

{{#if results}}
{{/if}}