Unser Adventskalender - Jeden Tag eine neue Überraschung für Sie » Unser Adventskalender - Jeden Tag eine neue Überraschung für Sie »

Finder Halbleiterrelais 39.10.7.012.9024-10 2A Schaltspannung (max.): 24 V/DC

26,41 €
inkl. MwSt.
zzgl.
Lieferzeit: 3-4 Tage
auf Lager
Bis 31.01.2026 kostenlose Rücksendung
Lieferung bis 24.12. kann nicht garantiert werden!
Finder Halbleiterrelais 39.10.7.012.9024-10 2A Schaltspannung (max.): 24 V/DC
26,41 €
inkl. MwSt.
zzgl.

Produktbeschreibung

Beschreibung

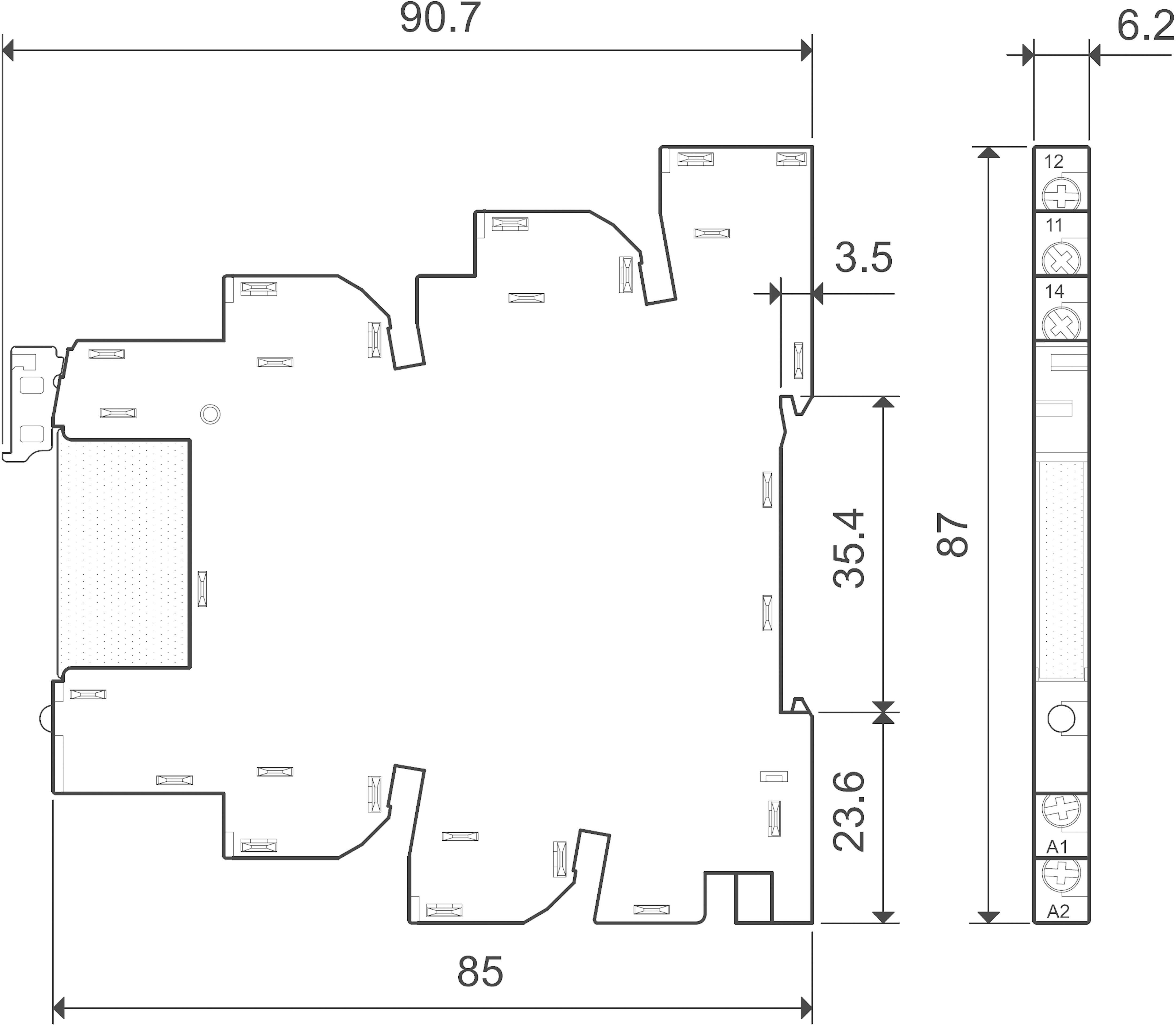
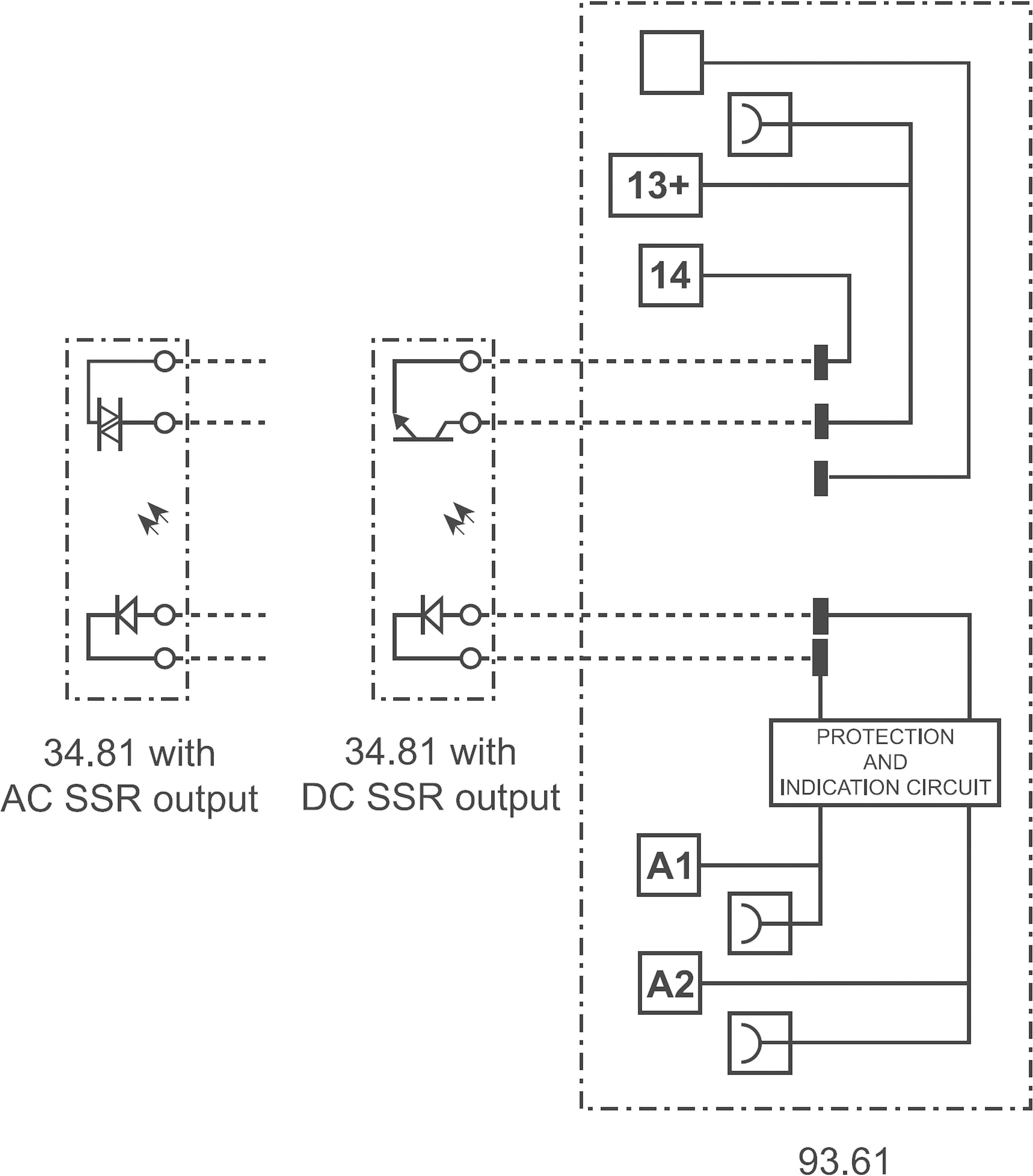
Schmales Koppelrelais für DIN-Schiene mit Halbleiterausgang. Universell als Koppelrelais im Eingang zur SPS oder im Ausgang der SPS zur Ansteuerung von Aktoren.

Hinweise

Zulassungen: cULus, EAC.

Stichwörter

Finder, 39.10.7.012.9024-10, 776-1424, elektronisches relais, el relais, lastrelais

Produktdaten

Downloads

Bewertungen

Zubehör

{{#if results}}
{{/if}}